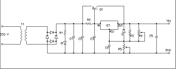
SCHEMA ALIMENTATORE