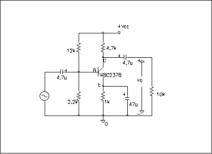
SCHEMA AMPLIFICATORE AD EMETTITORE COMUNE














Amplificatore home page